7104 三通電動球閥(R914F-16T)
產品概述:
系列電動閥用于控制空調末端水路控制。其中溫控器控制電動閥電機,并通過倒順電機使閥門開或關,從而實現管道里的介質流通或斷開,再通過風機盤管送風,用以實現溫度的自動控制。
產品特點:
1、良好的防水防灰功能及密封性(IP65);
2、通電時間極短,產品節能,電機壽命更長;
3、執行器拆、裝簡便;
4、關閉壓差大、關閉嚴;
5、直通水流、水堵渣,KVS值遠大于-般的二通閥;
6、閥門柔性開啟,能有效防止水錘。
聯系我們
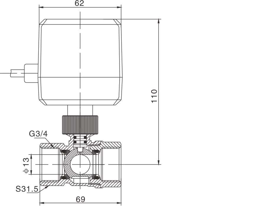
產品尺寸圖:

產品參數表:


同一系列














